服務熱線
13350355997
作者: 凱潛濾油機 發布時間:2023-07-07 09:42 點擊量: 來源:www.605security.com
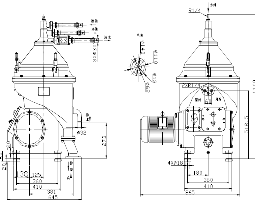
LXT-150LTP型離心濾油機是一種自動清渣型分離機,主要應用于潤滑油、液壓油、汽輪機透平油、柴油、輕質燃油等礦物油的凈化和澄清處理。它的主要作用是去除油中的水分、機械雜質和部分有害物質。該機型具有以下特點:
高效分離:LXT-150LTP型離心濾油機采用自動清渣設計,分離效率高。無需拆機即可實現全部排渣,提高工作效率。
全自動控制:根據需求,可實現全自動控制。這使得操作更加方便,并且大大降低了操作人員的勞動強度。
安全可靠:該機經過精確的動平衡校驗,振動極小,可以長時間運行。使用過程中安全可靠。
總之,LXT-150LTP型離心濾油機是一種高效、自動化的設備,廣泛應用于礦物油凈化和澄清處理領域。它能夠有效去除油中的雜質和有害物質,提高礦物油的質量和純凈度,保證設備正常運行和產品的質量,同時降低操作人員的勞動強度。

技術及性能參數介紹
額 定 處 理 量: 9000L/h()
轉 鼓 轉 速: 7200 r/min
分 離 因 數: 6950
排 渣 方 式: 自動全部排渣;
向心泵輸出壓力: ≥0.2MPa
振 動 速 度: ≤4.5 mm/s
噪 聲 聲 壓 級: ≤88 dB(A)
加熱器過濾: 9kW(可根據客戶要求設計)
電 機 功 率: 5kW
整 機 重 量: ~650 kg
外 形 尺 寸: 1265mmX645mmX1300mm(長X寬X高)
油品 | 燃料油 | 潤滑油 | ||||||||||
餾分燃料油 | 殘渣燃料油 | 優質油 | 凈化油 | 汽輪機油 | ||||||||
運動粘度/ (mm2/s) | 1.9~5.5 | 5.5~24 | 60 | 80 | 120 | 180 | 380 | 460 | 600 | 100~120 | 61.2~74.8 | |
40℃ | 50℃ | 40℃ | 40℃ | |||||||||
密度/ (kg/mm3)(20℃) | <900 | 900~991 | 880~900 | <900 | ||||||||
分離溫度/℃ | 20 | 40 | 75 | 80 | 90 | 98 | 80 | 75 | ||||
實際處理量與額定處理量的比值/% | 130 | 100 | 70~75 | 60~65 | 55~60 | 45~50 | 35~40 | 25~30 | 20~25 | 50~60 | 25~30 | 80~85 |
注:實際處理量與額定處理量的百分比數是以額定處理量為100%時的比值 | ||||||||||||

地址:重慶市沙坪壩區覃家崗鎮新橋村石梯溝社幸福小區
銷售部:023-65217597
技術部:(86)13350355997
023-65217916
售后部:023-65217916
傳 真:023-65217916
QQ: 2904490491
郵箱: KQGY668@163.com